西马格中国公司 欢迎您进入www.siemage.cn

产品分类

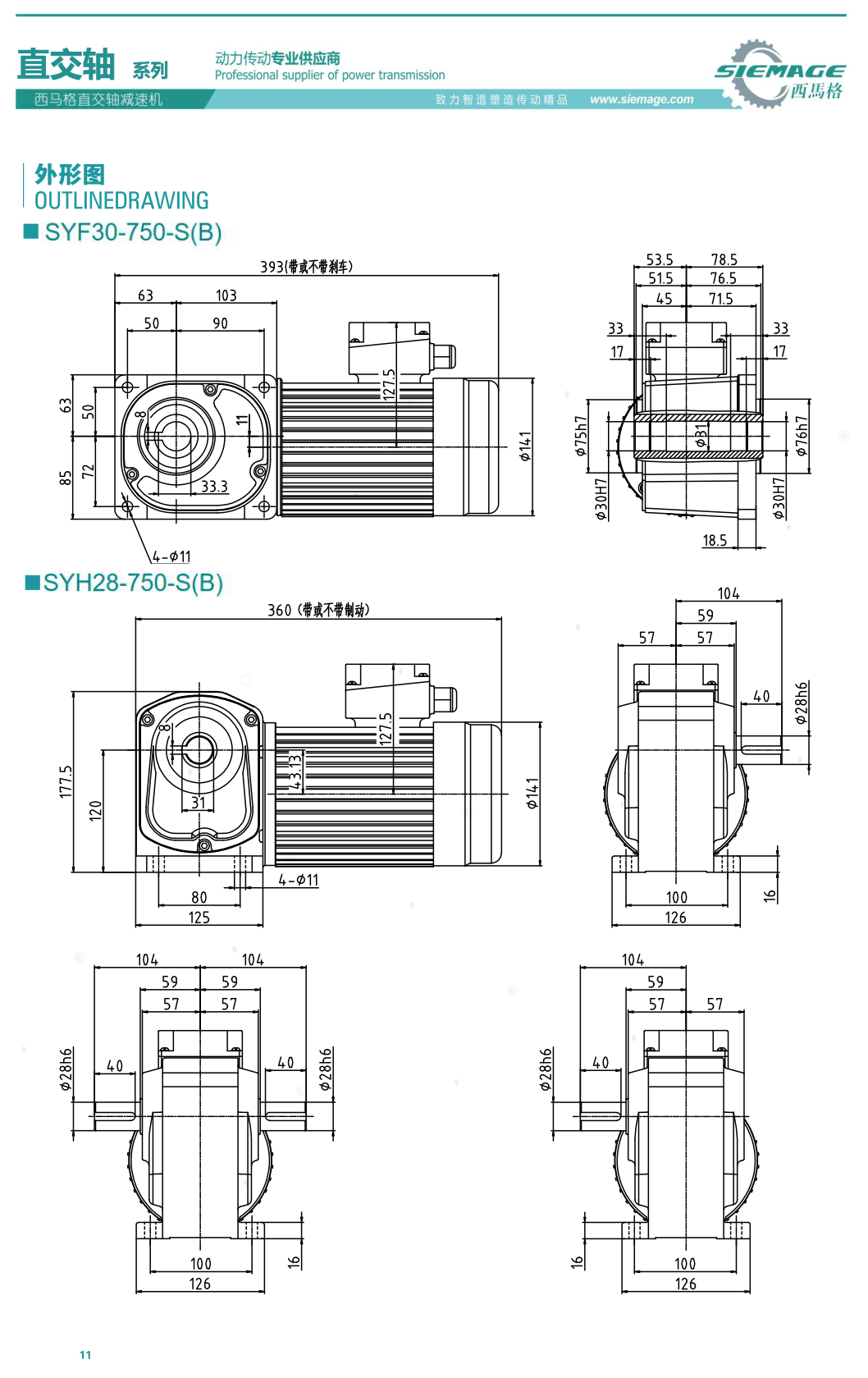
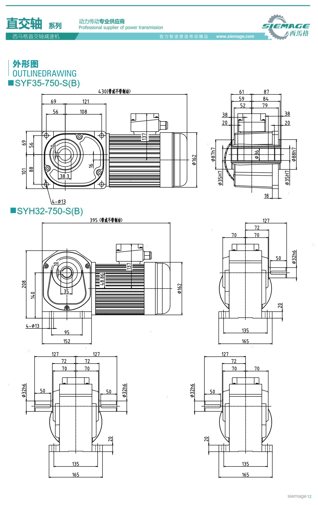
直交轴伞齿轮减速机750W

直交轴伞齿轮减速机750W

西马格SY系列直交轴减速器特点:

一,蜗杆减速器的噪声低和伞式齿轮减速器的效率高,准双曲面齿轮的设计采取其全部优点,使其噪音更低,效率更高。

二,蜗轮蜗杆相比,西马格直交轴减速器有相同的输出功率、更小的体积和更轻的重量。

三,与蜗轮蜗杆齿轮箱相比,蜗轮减速机的蜗轮采用黄铜制造,一般不会热处理,相对来说比较柔软。

四,安装形式多样,可配备多种电机。特别适用于低功率、高安装空间的场所。

五,安装更方便:新型SY直交轴减速器采用方形安装面安装,四个安装螺栓孔也采用方形布置。即使安装孔由水平安装改为垂直安装,也无需改变安装孔的位置。

直交轴伞齿轮减速机

直交轴伞齿轮减速机尺寸

直交轴伞齿轮减速机

直交轴伞齿轮减速机750W



西马格官网 德国西马格

西马格动力科技有限公司

全 国 热线:400-990-7385邮编:511400

浙江西马格:18357212618

福建西马格:18160919225

广东西马格:18302020760

邮箱:postmaster@siemage.com网 址:http://www.siemage.cn

Copyright © 2008 西马格动力科技有限公司 All Rights Reserved. 粤ICP备2003022145号

粤公网安备 44011302003923号